銷售熱線
技術熱線:0576-85183757
銷售電話:0576-85182037
技術電話:0576-85183757
傳真號碼:0576-85182843
聯系郵箱:haihong@cn-hydraulic.com
公司地址:浙江省臨海市江南街道金嶺路199號
產品特點
整體式三聯結構;
控制方式:手控、液控;
回路形式:串聯回路;
密封性能好;
溢流閥、過載閥、補油閥等采用插裝式結構;
結構緊湊、壓力損失小;
通用性好,便于維修。
應用領域
滑移裝載機等其它工程機械工作裝置液壓系統。
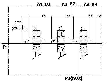
液壓原理圖
技術參數(對超出下述參數的應用場合,請與我公司聯系)
|
概述 |
|
|
油口連接方式 |
螺紋連接 |
|
控制方式 |
壓力控制 |
|
安裝方式 |
見外形圖 |
|
通徑 mm |
19 |
|
液壓 |
|
|
公稱流量L/min |
100 |
|
公稱壓力bar |
200 |
|
允許最大回油背壓bar |
15 |
|
先導控制壓力bar |
30 |
|
先導控制曲線bar |
4~25 |
|
液壓油溫度范圍℃ |
-20~+100 |
|
粘度范圍m2/s |
10~460 |
|
油液允許的污染等級 |
-/19/16 (ISO4406:1999) |
|
機械 |
|
|
重量 |
20kg |
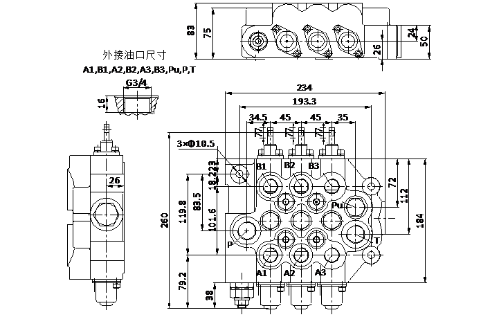
產品外形圖
相關產品
銷售熱線:0576-85182037
友情鏈接: 多路閥系列 先導閥系列 制動閥系列 操縱閥系列 農機閥系列 轉向閥系列 Sitemap TXT Sitemap XML 網站地圖

微信官網

手機官網