銷售熱線
技術熱線:0576-85183757
銷售電話:0576-85182037
技術電話:0576-85183757
傳真號碼:0576-85182843
聯系郵箱:haihong@cn-hydraulic.com
公司地址:浙江省臨海市江南街道金嶺路199號
產品特點
片式手柄在偏轉范圍內,可任意角度定位;
D06在手柄偏轉最大角度可電磁鐵定位;
多片靈活組合;
輸出壓力隨手柄角度呈比例變化;
遠程液壓控制;
操縱力小。
應用領域
適用于多路閥、泵、馬達的遠程控制,用于叉車、挖掘機等工程機械設備。
液壓原理圖
技術參數(對超出下述參數的應用場合,請與我公司聯系)
|
概述 |
|
|
結構 |
整體式/分片式 |
|
油口連接方式 |
螺紋連接 G1/4 或 M14×1.5 |
|
安裝方式 |
見外形圖 |
|
重量 kg |
1.6~1.8 |
|
液壓 |
|
|
允許最大回油背壓bar |
3 |
|
先導控制油流量 L/min |
16 |
|
P口最大壓力bar |
35 |
|
電源電壓 V |
DC24(4TH6D型) |
|
液壓油溫度范圍℃ |
-20~+100 |
|
粘度范圍m2/s |
10~380 |
|
油液允許的污染等級 |
-/19/16 (ISO4406:1999) |
特性曲線
L06,U06工作口特性曲線,在油溫40℃,流量16L/min下測得
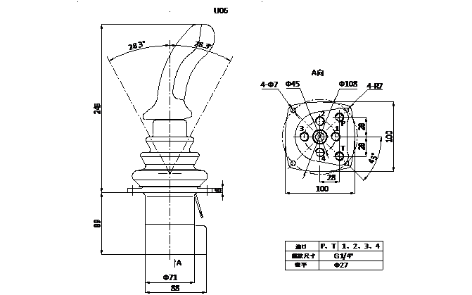
產品外形圖
相關產品
銷售熱線:0576-85182037
友情鏈接: 多路閥系列 先導閥系列 制動閥系列 操縱閥系列 農機閥系列 轉向閥系列 Sitemap TXT Sitemap XML 網站地圖

微信官網

手機官網